Advertisement

Three Gang Switch Connection - When it's 'off' the com terminal is connected to nothing and (the switch is open) no current flows through the switch.

Three Gang Switch Connection - When it's 'off' the com terminal is connected to nothing and (the switch is open) no current flows through the switch.. Bestelle gang online bei about you. Each switch will connect to the gang box by screws, one at the top of each switch and one at the bottom. The new dimmer requires neutral, and those are all tied together in the back of the box. In this diagram the source for the circuit is at the light fixture and the two switches come after. 1 gang 2 way switch wiring diagram.

1 gang 2 way switch wiring diagram. 3 gang 1 way light switch wiring diagram. When it's 'on' the com terminal is connected to the l1 terminal (let there be light!). Connect the white, or neutral, wires together in the gang box. Pick one of the switches on the three gang as your chandellier switch.

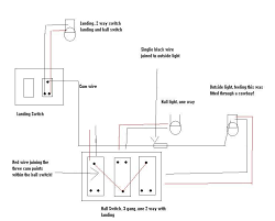
How To Wire A 3 Way Switch Wiring Diagram Dengarden
How To Wire A 3 Way Switch Wiring Diagram Dengarden from images.saymedia-content.com
Each of the gangs (or switches) above in fig 2 (of which there are three) work like this (fig 3): When it's 'off' the com terminal is connected to nothing and (the switch is open) no current flows through the switch. Connect all three switches to the gang box. Brand british general (7) crabtree (6) lap (20) lightwave (3) mk (15) retrotouch (2) schneider electric (21) unbranded (1) varilight (10) switch type appliance. The new dimmer requires neutral, and those are all tied together in the back of the box. Each switch will connect to the gang box by screws, one at the top of each switch and one at the bottom. Wiring a 3 gang 2 way light switch lighting circuit diagram arrangements 4 1 wish to how wire smart advice with double crabtree 10a uk wickes adding an extra from mk help installing new lightwaverf for phase wifi push on sonoff t1 user guide ewelink or dimmer. 3 gang 1 way light switch wiring diagram.

Brand british general (7) crabtree (6) lap (20) lightwave (3) mk (15) retrotouch (2) schneider electric (21) unbranded (1) varilight (10) switch type appliance.

Diagrams coupled with some instructions to help you on your way to wiring a single switch. Connect the two remaining traveler wires to the two brass or light colored screws. Brand british general (7) crabtree (6) lap (20) lightwave (3) mk (15) retrotouch (2) schneider electric (21) unbranded (1) varilight (10) switch type appliance. I will be adding a new 20 amp circuit for the single pole outlet. Step 2 cover the three switches with a triple switch cover plate. One way switched lighting circuits. Three gang switch wiring diagram 1994 suburban fuse usb cable yenpancane jeanjaures37 fr. 2 gang way lighting circuit wiring diagram 08 ford f 250 mirror bege. This format of light switch has three discreet switches on a single face plate. As mentioned in that previous post, replacing the firmware with esphome, your own firmware, or. For example , in case a module is usually powered up and it also sends out the signal of fifty percent the voltage plus the technician does not know this, he would think. Two way light switch mechanism. I am installing a new smart dimmer switch as shown in my photo.

Brand british general (7) crabtree (6) lap (20) lightwave (3) mk (15) retrotouch (2) schneider electric (21) unbranded (1) varilight (10) switch type appliance. When it's 'off' the com terminal is connected to nothing and (the switch is open) no current flows through the switch. I am replacing the middle switch. This should be red/black but from the photographs it could be red/red. I am installing a new smart dimmer switch as shown in my photo.

Wiring A Light Switch Diagram Light Switch Wiring Light Switch Wiring Diagram
Wiring A Light Switch Diagram Light Switch Wiring Light Switch Wiring Diagram from i.pinimg.com
Connect all three switches to the gang box. I am replacing the middle switch. Tape the wire nut to the wires with electrical tape. Each of the gangs (or switches) above in fig 2 (of which there are three) work like this (fig 3): Three gang switch wiring diagram 1994 suburban fuse usb cable yenpancane jeanjaures37 fr. Connect the white, or neutral, wires together in the gang box. To properly read a cabling diagram, one provides to know how typically the components within the program operate. 3 gang light switch wiring diagram from www.lightwiring.co.uk.

Welcome to jun aux tv if you enjoy watching this video don't forget to subscribe, like and hit notification bell thank you!sa video na ito ituturo ko sa inyo.

Wiring diagram 3 gang light switch full 2 phase for way box diynot forums lighting circuit arrangements 1 lights collection a double sonoff t1 uk user guide ewelink wire electrical 101 three how to itead wifi switches diagrams do it tech trendiswitch diy wall touch eu no neutral strange on connect single. To properly read a cabling diagram, one provides to know how typically the components within the program operate. And there's some confusion, so hopefully someone can help. 3 way with multiple lights 3 way switch wiring light switch wiring three way switch Filter (0) filters clear all. 3 gang light switch wiring diagram from www.lightwiring.co.uk. Connect all three switches to the gang box. Identify the two core cable. A bs1363 socket outlet (by iec) is also known as a uk socket outlet or type g socket. The new dimmer requires neutral, and those are all tied together in the back of the box. Brand british general (7) crabtree (6) lap (20) lightwave (3) mk (15) retrotouch (2) schneider electric (21) unbranded (1) varilight (10) switch type appliance. I dont have a switch diagram but it should be fairly simple to test out with an ohmvolt meter. Welcome to jun aux tv if you enjoy watching this video don't forget to subscribe, like and hit notification bell thank you!sa video na ito ituturo ko sa inyo.

It's either on or off, thats all it does. Two way light switch mechanism. As mentioned in that previous post, replacing the firmware with esphome, your own firmware, or. It has multiple types i.e. I dont have a switch diagram but it should be fairly simple to test out with an ohmvolt meter.

Smart Wifi Light Switch Eu Standard 1 2 3gang Google Alexa Control
Smart Wifi Light Switch Eu Standard 1 2 3gang Google Alexa Control from www.isecus.com
Push the four white wires into the back of the gang box. Tape the wire nut to the wires with electrical tape. The new dimmer requires neutral, and those are all tied together in the back of the box. This should be red/black but from the photographs it could be red/red. You would put the red in the common, the blue (with red sleeve) in l1 and the yellow (with red sleeve) in l2 on both switches. I dont have a switch diagram but it should be fairly simple to test out with an ohmvolt meter. Single pole switch synergy 3 gang 1 way 10 ax 250 v white 7 301 24 legrand. 1 gang, 2, gang and so having three pins with or without switches and neon light bulbs.

And there's some confusion, so hopefully someone can help.

The source is at sw1 and 2 wire cable runs from there to the fixtures. Welcome to jun aux tv if you enjoy watching this video don't forget to subscribe, like and hit notification bell thank you!sa video na ito ituturo ko sa inyo. Wiring 3 gang switch in easy actual wiringwatch my other videos here:how to use multitester: Wiring diagram for 3 gang light switch. In position 1 when the switch is down or on com and l1 are connected together just like the one way switchin position 2 when the switch is up or off com and l2 are connected together. 1 gang 2 way switch wiring diagram. I will be adding a new 20 amp circuit for the single pole outlet. 10.10.2018 10.10.2018 3 comments on clipsal light switch wiring diagram australia there are several ways of wiring a switch depending on your situation. 1 gang, 2, gang and so having three pins with or without switches and neon light bulbs. Connect all three switches to the gang box. Connect the wire marked common to the black or dark colored screw. Single pole switch synergy 3 gang 1 way 10 ax 250 v white 7 301 24 legrand. Switch #1 is for the vanity light, #2 is f.

Posting Komentar

0 Komentar